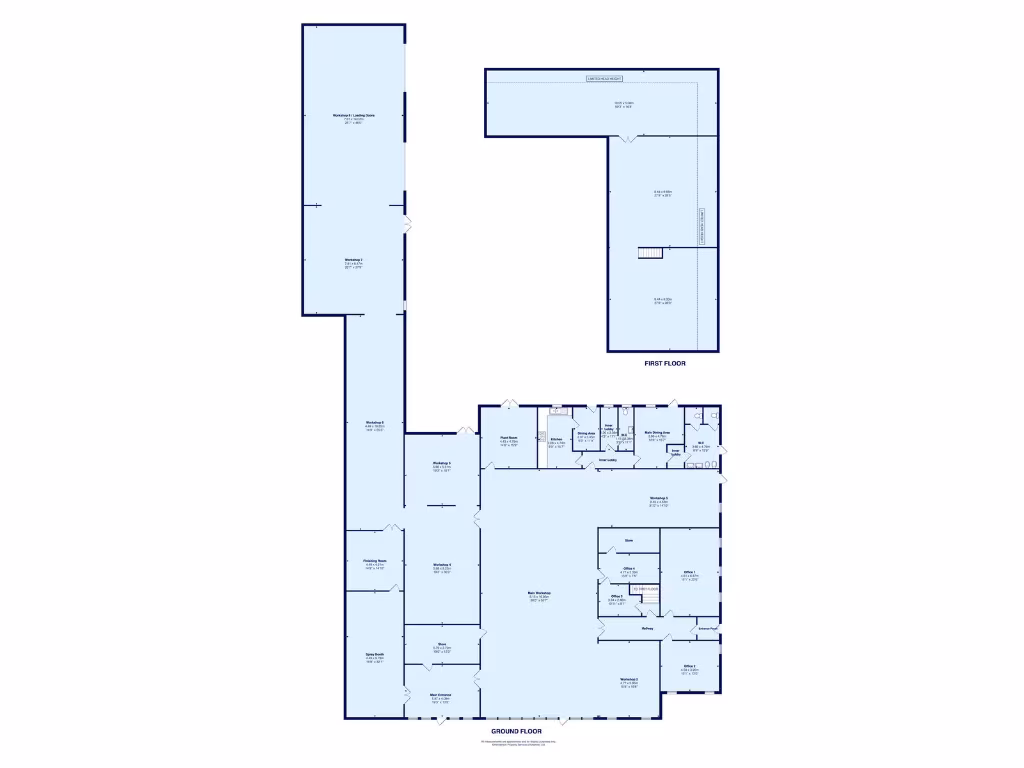
9,257 sq ft flexible warehouse and workshop space
A substantial freehold industrial workshop in Whitby offering 9,257 sq ft of flexible manufacturing and storage space. The building combines a glass-front reception and modern office/showroom with large, high-ceilinged workshop floors illuminated by energy-efficient LED high bay lighting. Roller shutter access and generous rear parking make loading and operations straightforward.
The rear car park previously had planning permission for a further 5,823 sq ft of workshop space, presenting clear expansion or subdivision potential subject to permissions. The layout already includes ground-floor offices, staff facilities and accessible WC, and could be split into smaller units for multi-tenant income or adapted for a single occupier’s operational needs.
Location is peaceful with very low local crime and proximity to North York Moors National Park, but this is a remoter community with average local services. Broadband speeds are very slow and mobile signal is only average — factors to consider for occupier connectivity. The property is offered freehold and presents a long-term asset opportunity for investors prepared to manage or improve connectivity and planning renewals.
Industrial development for sale in Industrial Unit with Yard For Sale in Whitby, Fairfield Way, Stainsacre Lane Industrial Estate, Whitby, YO22 4PU, YO22 — £530,000 • 1 bed • 1 bath • 8213 ft²
Property for sale in The Workshop, The Old Jet Works, Brunswick Street, Whitby, YO21 — £35,000 • 1 bed • 1 bath • 889 ft²
Land for sale in Lantsbery Drive, Liverton, Saltburn-by-the-Sea, TS13 4QZ, TS13 — £425,000 • 1 bed • 1 bath • 15010 ft²
Light industrial facility for sale in Pickering Park, Pickering, YO18 — POA • 1 bed • 1 bath • 20000 ft²
3 bedroom house for sale in Raincliffe Crescent, Scarborough, YO12 — £395,000 • 3 bed • 2 bath • 2479 ft²
Commercial property for sale in The Warehouse, Marlborough Street, Scarborough, Yorkshire, YO12 7HG, YO12 — £250,000 • 1 bed • 1 bath • 4800 ft²










































































































