Chain-free three-bedroom mid-terrace with scope to modernise and add value in peaceful Rhosesmor..
Chain free three-bedroom mid-terrace, approx. 767 sq ft
Needs full modernisation throughout, dated kitchen and bathroom
Low-maintenance front and paved rear garden, small plot
Air-source heat pump heating; main fuel electric (non-community)
Double-glazed windows; unknown install dates
Slow local broadband speeds could affect remote working
Quiet village location with countryside views and local amenities
Affordable council tax band; compact overall living space
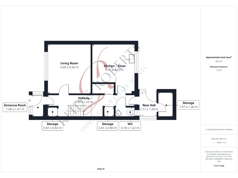
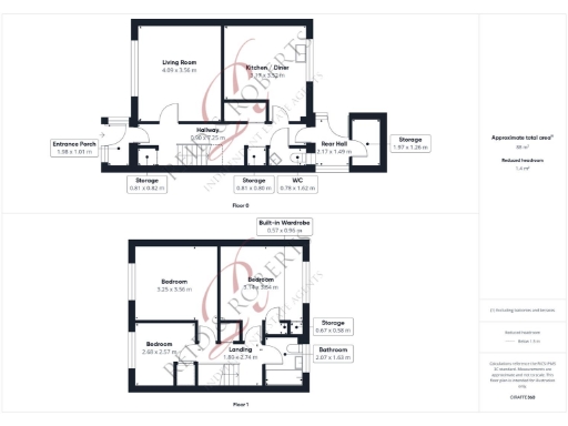
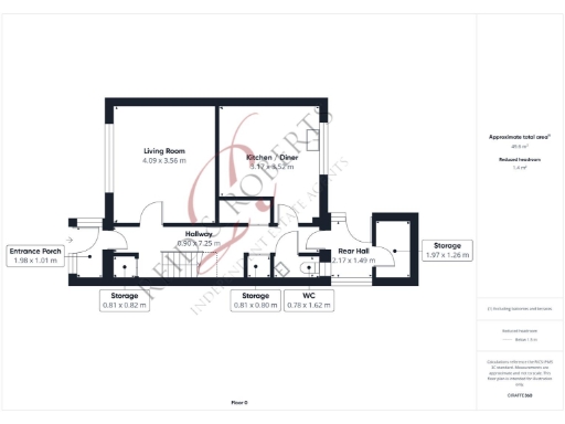
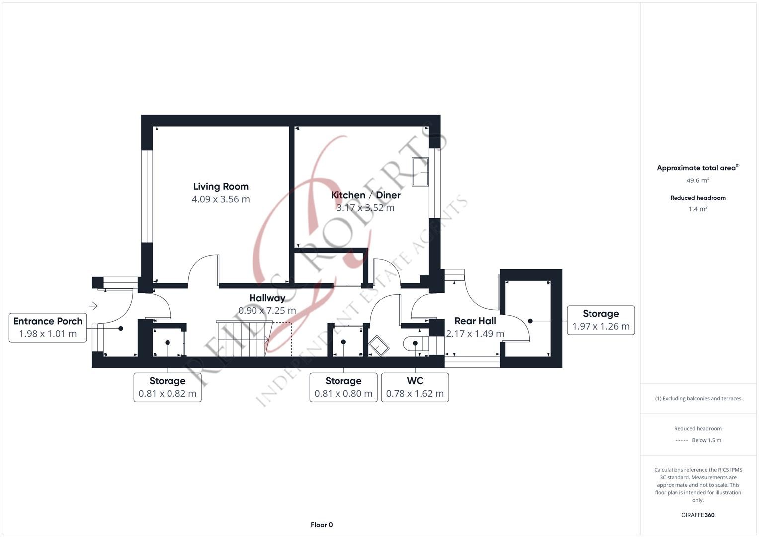
Chain-free three-bedroom mid-terrace in Rhosesmor offering a solid canvas for first-time buyers or investors. The layout includes spacious living room, kitchen/diner, rear hall with storage room and a downstairs WC — practical rooms that suit everyday family life while providing scope to reconfigure and modernise.
Benefits include low-maintenance front and rear gardens, double-glazed windows, and an air-source heat pump with radiators as the primary heating, helping running costs. The property sits in a quiet village setting with countryside walks nearby and easy road access to Mold, Chester and the North Wales coast.
Important practical points: the house requires renovation throughout — the kitchen, bathroom and general finishes are dated and will need updating. Broadband speeds are slow locally and the wider area scores high on deprivation measures, which may affect resale prospects. The plot is small and overall internal size is limited (approx. 767 sq ft).
Offered freehold and with no onward chain, this is a straightforward purchase for someone wanting to add value by renovating. Viewings are recommended for buyers seeking an affordable entry into village life or a manageable refurbishment project.
3 bedroom semi-detached house for sale in Ash Grove, Mold, CH7 — £180,000 • 3 bed • 1 bath • 743 ft²
3 bedroom end of terrace house for sale in Hawarden Road, Caergwrle, Wrexham, LL12 — £160,000 • 3 bed • 1 bath • 384 ft²
3 bedroom terraced house for sale in Rhosesmor, CH7 — £285,000 • 3 bed • 1 bath • 1291 ft²
2 bedroom terraced house for sale in Alyn Bank, King Street, Mold, CH7 — £100,000 • 2 bed • 1 bath • 657 ft²
3 bedroom house for sale in Terrig Street, Shotton, CH5 — £130,000 • 3 bed • 1 bath • 747 ft²
2 bedroom terraced house for sale in Rhosesmor, Mold, Flintshire, CH7 — £150,000 • 2 bed • 2 bath • 883 ft²






































































































